You're experiencing the new arrow.com, you can return to your original experience at any time. Back to original site

Arrow Electronic Components Online

センサー技術の進歩がスマート工場を強化する

スマート工場13 11月 2021
近代的な工業工場で吸着技術を備えたロボットアームのクローズアップ
すべての記事を見る

伝統的な製造業は過去1世紀の間に確実に進化してきました。その大きな原動力となっているのは、生産性および柔軟性の向上、さらには安全性とセキュリティの改善への需要です。そしてこれらをより低コストで実現することです。業界の答えは何でしょう?スマートファクトリーです。

スマート工場への感覚

原材料の注文から最終的な製造まで、スマート工場は製造業に革命をもたらし、最適化による生産速度の向上、人的ミスの削減、効率性の向上を実現しました。

スマート工場は、インテリジェントな機械、装置、測定および試験機器を利用して、製造プロセスの重要なパラメーターを監視します。これらの改善により工場のインフラが変革され、機械、データストレージ、アクセスポイントを接続し、一貫性のある正確なコミュニケーションを促進する環境が実現されました。また、オペレーションシステムが最大限の効率と生産性を維持できるようにします。  

これらの技術革新は機械要件にも変化をもたらし、特に高振動環境における信頼性の高いセンサーの需要を増加させています。センサーは工場のインテリジェンスにおいて重要な役割を果たしており、正確なデータを収集して製造プロセスに反映することで、製品の品質を向上させます。

最近のセンサー技術の進歩により、これまでにないプロセス制御とデータ取得が可能になりました。プロセス制御は通信を利用してシステム品質を調整することができます。例えば、さまざまな製品の許容範囲をソフトウェアで簡単にプログラムし、それをインターインテグレーテッドサーキット(I2C)やシリアルペリフェラルインターフェース(SPI)プロトコルによって実装することが可能です。同様に、センサーから得たデータは製品品質を最適化し、製造者が生産工程における最も効果的な方法を見つけるのを支援します。

基本的な温度および湿度の監視から、高度な位置および圧力検知まで、スマートファクトリーでは、製品の移動、ロボットや加工プロセスの制御、環境要因の検知を通じて工場運営を進化させるのに役立つさまざまな種類のセンサーが必要です。

TE Connectivityのスマート工場向けセンサーソリューション  

TE Connectivity (TE) は、世界最大級のコネクティビティおよびセンサー企業の一つであり、顧客がコンセプトをスマートで接続された創造物へと変える革新的なセンサーソリューションを提供しています。同社の幅広いセンサーポートフォリオには、産業用センサーや高度に統合されたマルチセンサーモジュールが含まれており、リアルタイム処理を行うことでスマートファクトリーを強化するソリューションを提供しています。TE の多くの産業用センサーは、従来のあまり高度でないセンサーよりも工場の通信システムに適応しやすいデジタル出力を持っています。TE のセンサーは高い精度と分解能を提供し、信頼性の高いデータを生成します。また、これらは知能型機械、測定および試験機器、統計的プロセス管理に統合することが可能です。 

インテリジェントマシンでは、位置センサーが可動部品の位置を監視し測定し、しばしば高精度で行われます。一方、温度センサーおよび圧力センサーは、機械が適切に作動するために重要なパラメータを監視し測定します。流量スイッチは冷却液や切削油を含む重要な液体の適切な流れを監視します。力センサーは、成形、曲げ、応力に関連する製造プロセス中に製品にかけられる力を監視します。

センサータイプインテリジェントマシン用TEセンサー
位置HR & MHR LVDT、KMA36回転センサー
温度NTC、RTD、および熱電対プローブ
圧力M5200 & U5200、MS4525、MSP100
流量FX-1901、FS-23、FS-20

センサーは、温度センサーや圧力センサーを使用して、正確な動作を監視することで、測定および試験機器の精度を向上させるために使用されます。位置センサー (LVDT、ゲージヘッド) は製品の寸法を測定し、荷重セルは重量を測定して、製品が設定された範囲内に収まっていることを確認します。 

センサーは統計的プロセス管理に組み込まれ、さまざまなプロセスパラメータを正確、安定、そして信頼性のある方法で測定することができます。耐久性のある筐体やエンクロージャーで利用可能なTEのセンサーポートフォリオは、長期的な安定性を提供し、メンテナンスの必要性を削減するとともに過酷な環境下でも信頼性の高い性能を発揮します。これらのセンサーは交換可能であり、故障したセンサーの迅速な交換が可能となり、製造現場でのダウンタイムを短縮します。

プロセス貯蔵タンク内の水、空気ライン、流体レベルを監視するために使用される圧力および液位センサーから、周囲温度、作業ステーションの温度、作業エリアの占有状況を監視するために使用される接触式および非接触式温度センサーに至るまで、TEのセンサーのポートフォリオは、生産的で安全かつ快適な作業環境を実現するために必要なソリューションを提供します。  

スマートファクトリー向けセンサーの進化

製造能力は、メーカーが設備やシステムのアップグレードを実施するにつれて、絶えず進化しています。これらのアップグレードが実現すると、センサー技術は進化し、新しい製品が導入されます。たとえば、温度異常停止などの決定要因には基本的なアナログ信号が必要です。温度の閾値が超えると、生産プロセスが停止します。このような基本的な構成要素には、抵抗値を変化させるサーミスタ [15] モジュールや、湿度に基づいた静電容量を出力するTEのMeasurement Specialties (MEAS) HS1101LF相対湿度センサー [2] などがあります。これらのシンプルな構成要素は、通常は受動的なデバイスの値を変化させる知性を提供します。受動コンポーネントは最終的なプロセスを実現するための追加回路を必要としますが、意思決定信号は、アナログ信号をさまざまな方法で提供するために使用される、より知的で多機能な構成要素に組み込まれます。より高度なセンサーは、誤作動を減らしたり、実装する温度範囲を提供できるようにヒステリシス機能を含むことがあります。

基本的なアナログトリガーを超え、センサーのデータが幅広い電圧値を生成することで感知能力が向上します。半導体プロセスがますます低電圧レベルを採用するにつれ、より高い粒度を提供するための洗練された方法が必要とされています。このようなアプリケーションでは、従来のアナログ電圧範囲の制限を克服するためにデジタル信号が使用されますが、一部の市場では、意思決定のためのマイクロプロセッサや通信プロトコルに伴う費用や複雑性を必要としない場合もあります。このようなアプリケーションでは、パルス幅変調(PWM)およびシグマデルタ変調がデジタル信号として使用され、その結果が平均化されてアナログ出力として生成されます。TE社のTSYS02Sデジタル温度センサー [1]は、この2つの出力タイプに加え、I2Cオプションも搭載した製品の例です。このセンサーの利点は、通常の3ボルトのオペアンプよりも解像度範囲が広い3ボルトの論理で生成されるアナログ信号です。利用可能なオプションの幅広さにより、顧客は予算や意思決定回路の複雑性に合った温度感知ソリューションを選択することができます。

The TSYS02 Series is a digital temperature sensor with ±0.2°C accuracy and 16-bit resolution

参考文献 [1] TE社のTSYS02Sデジタル温度センサは、PWM、SDM、およびI2の3種類のアナログ出力を備えています。この世代のアナログ信号を実装するには平均化が必要であり、通信プロトコルを使用することでさらに細かい粒度が実現されます。このセンサ製品では、センサ検知、A/D通信、およびデータ出力がひとつのパッケージに統合されています。データストリームのビットサイズが増加するとともに粒度も向上します。アドレス指定はビットストリームの重要な部分であり、多くのセンサスレーブ負荷をマスターによって制御可能にし、データ取得を増加させることでより良い制御が実現します。追加クロッキングやデータ同期化は、アナログスタイルのソリューションによる精度向上と信号整合性改善を考慮すれば、最小限の副作用です。

SPIネットワーク

仕組み:

  • マスターはスレーブ選択ライン(SS1...SSn)を介してスレーブを有効にします。
  • マスターはMOSIラインを通じてスレーブに指示を送ります。
  • スレーブはMISOラインを介して応答します。
  • マスターとスレーブ間の通信は同時に発生することができます。
  • SPI通信はI2Cよりも高速です。
  • マスターは、データ交換のタイミングを制御するためのクロック(SCLK)を提供します。

A technical diagram illustrating a Serial Peripheral Interface (SPI) communication setup

参考文献 [14]  SPIインターフェースの4つのデータライン構造は、I2Cと比べてより高速なデータ取得を可能にします。

I2Cネットワーク

仕組み:

  • マスターは、スレーブセレクトライン(SS1...SSn)を介してスレーブを有効にします。
  • マスターはMOSIラインを介してスレーブに指示を送ります。
  • スレーブはMISOラインを介して応答します。
  • マスターとスレーブ間の通信は同時に行うことができます。
  • SPI通信はI2Cよりも高速です。
  • マスターは、データ交換のタイミングを制御するためにクロック(SCLK)を提供します。

A schematic diagram illustrating master-slave communication in a system

参考  [14] I2Cインターフェースのシリアルデータライン構造は、SPIよりも複雑ではありません。 

温度[1]および湿度[3]、さらに温度と湿度の組み合わせ[3]を検知するシリアル通信機能対応のセンサー製品が利用可能です。さまざまな圧力センサー[9-11]は、気圧および圧縮空気の圧力レベルに敏感なプロセスを制御します。

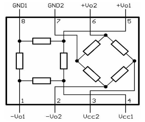
位置センサーは、磁場強度を検出して、アライメント [8]、線形位置 [5]、または角度位置 [5, 6, 7] を判断します。 これらの磁気抵抗 (MR) [14] 製品は、オンボードウィートストンブリッジを使用しています。 出力値はウィートストンブリッジによって決定された角度に基づく位相のずれた2つの正弦波の形で提示されます。

ブロック図

A detailed schematic of an electrical circuit featuring labeled pins and connections

回路図

代表的な性能曲線

Technical illustration showcasing a magnetic field sensor labeled KMT32B alongside sinusoidal and cosine waveforms

KMT32B(SO8、TDFN)の特性曲線

参考文献[5] TE社のKMT32Bセンサーは、ロボットアームの位置を検出する磁気角度センサーです。出力信号は角度を表す位相差を持つ正弦波です。

製品の特徴や価値に関する情報に加えて、パッケージングオプションでは、表面実装からスルーホール実装を使用して基板上に浮かせる方法まで、さまざまな取り付け方法を提供しています。温度に影響を受ける部品、例えばTEのHTU20D(F)センサーの場合、重要な取り付け情報が基板内のスロットを利用して他の部品からの熱伝達を減らす方法についてユーザーに指示します。このようにすることで、補助回路によって生成される追加の温度ではなく、周囲温度に基づいたより正確な湿度測定が可能になります。

HTU20D(F) RH/T センサー IC

温度出力付きデジタル相対湿度センサー

相対湿度の測定値は温度に強く依存します。そのため、相対湿度を測定する空気と湿度センサーを同じ温度に保つことが重要です。

テストまたは認定の場合、参照センサーとテストセンサーは湿度測定値を比較できるように、同じ温度を示さなければなりません。

HTU21P(F)センサーは、電子センサーからの熱伝導を防ぐ、あるいは可能な限り少なくする方法で取り付ける必要があります。推奨される方法としては、通気性を確保すること、HTU21P(F)センサーとPCBの残り部分との間の銅層を減少させること、またはセンサー周辺のPCBにスリットを設けること(最小幅1mm)が挙げられます。 

Technical illustration showcasing the HTU21 sensor within a circuit layout

参考文献[3] TEのHTU20D(F)湿度センサーデータシートには、実際の周囲温度に基づいて製品性能に影響する取り付け方法の重要性が記載されています。

概要

原材料の注文から最終生産に至るまで、スマートファクトリーは製造業を革新し、生産率の向上、人為的ミスの削減、効率の向上を実現させました。これらの工場現場における進展は機械の要件を変化させ、特に高振動環境下で信頼性の高いセンサーの需要を増加させています。必要とされる高度な技術レベルや信号伝達方法に基づいて、信頼性のある解決策を提供するセンサー製品が利用可能です。スマートファクトリーの機能が増加する中、TEは拡大するシステム要件に対応するため、センサー技術の進化に尽力していきます。

命名法

Two compact humidity sensor modules, HTU2XY and HTU2XYF, are displayed with embedded PTFE filters for enhanced performance

[3] TEのHTU2XY(F)のオプション機能には、ほこりや水没から保護するPTFEフィルター/膜が含まれています+

記事タグ

Global
TEコネクティビティ
記事
センサー

関連コンテンツ