You're experiencing the new arrow.com, you can return to your original experience at any time. Back to original site

Arrow Electronic Components Online

バッテリーモニターが電気自動車バッテリーの性能を最大化

電気自動車 (EV)16 2月 2024
男性が電気自動車を充電しながらスマートフォンを操作している。
すべての記事を見る

リチウムイオン(Li-Ion)バッテリーは、電気自動車向けの一般的なエネルギー貯蔵方法であり、既存のすべてのバッテリー技術と比較して非常に高いエネルギー密度を提供します。しかし、性能を最大化するためには、充電および放電のサイクルを安全に管理し、バッテリーの寿命を延ばすためにバッテリーモニタリングシステム(BMS)を使用することが不可欠です。本記事では、BMSのアーキテクチャと動作モードを紹介するとともに、ADIが提供するBMSデバイスの製品特性と利点についても説明します。

BMSは電気自動車バッテリーの運用効率を向上させることができます

高度なBMS(バッテリーマネジメントシステム)は、電気自動車が運行中にバッテリーパックから効率的に多くの電力を引き出すのを支援します。BMSは、バッテリーの充電状態(SOC:State of Charge)を正確に測定することで、バッテリーの稼働時間を延ばしたり重量を軽減するだけでなく、安全性を向上させます。バッテリー安全性を高めるためには、深放電、過充電、過電流、熱的過負荷といった電気的過負荷を回避する必要があります。   BMSの主な機能は、バッテリー運用中の物理的パラメーターを監視することであり、バッテリーパック内の各セルが安全動作領域(SOA:Safe Operating Area)内に収まるようにすることです。BMSは、充電および放電時の電流、各セルの電圧、バッテリーパック全体の温度を監視します。これらのデータに基づいて、安全なバッテリー運用を確保するだけでなく、SOCおよびSOH(State of Health)の計算も支援します。   BMSによって提供されるもう1つの重要な機能は、セルバランシングです。バッテリーパックでは、個々のセルが並列または直列に接続され、目的の容量および動作電圧(1kVまたはそれ以上)を実現します。バッテリーメーカーはバッテリーパックに対して同一のセルを提供しようと試みますが、完全に均一なセルを実現するのは物理的に現実的ではありません。わずかな差であっても、充電または放電レベルにばらつきが生じる可能性があり、バッテリーパック内の最も弱いセルが全体の性能に大きく影響を与えます。正確なセルバランシングはBMSの重要な機能であり、バッテリーシステムが最大容量で安全に動作できるようにします。

A detailed schematic of a battery management system featuring the LTC6811 IC.

ワイヤレスBMSは通信配線を排除し、複雑さを軽減します

電気自動車のバッテリーは、複数のセルが直列に接続されて構成されています。96セルを直列に接続した典型的なバッテリーパックは、4.2 Vで充電すると400 V以上を生成します。バッテリーパック内のセル数が多いほど、達成される電圧が高くなります。充電および放電電流はすべてのセルで同じですが、各セルの電圧をモニタリングする必要があります。   高出力の自動車システムに必要な多数のバッテリーを収容するために、複数のバッテリーセルが通常いくつかのモジュールに分割され、車両内で利用可能なスペース全体に分散されます。典型的なモジュールは10~24セルで構成されており、さまざまな車両プラットフォームに適合するように異なる構成で組み立てることができます。モジュール設計は大型バッテリーパックの基盤となり、バッテリーパックを広い領域に分散させることで、スペースの有効利用をより効果的に最適化します。   電気自動車やハイブリッド車の高い電磁干渉(EMI)環境における分散型モジュール構成をサポートするためには、強固な通信システムが不可欠です。絶縁型CANバスは、このような環境でモジュールを相互接続するのに適しています。CANバスは自動車用アプリケーションでバッテリーモジュールを相互接続する包括的なネットワークを提供しますが、多くの追加コンポーネントが必要となるため、コストや基板スペースが増加します。さらに、最新のバッテリー管理システム(BMS)が有線接続を採用すると、重要な欠点が生じます。配線は複雑な問題となり、異なるモジュールに配線を回すことが求められるため、重量と複雑さを増加させます。配線はノイズを拾いやすいため、追加のフィルタリングが必要になります。   ワイヤレスBMSは、通信配線の必要性を排除した革新的なアーキテクチャです。ワイヤレスBMSでは、各モジュール間の相互接続がワイヤレス接続によって実現されます。複数のセルを持つ大型のバッテリーパックでのワイヤレス接続により、配線の複雑さが軽減され、重量が減少し、コストも削減され、安全性と信頼性が向上します。しかし、ワイヤレス通信は過酷なEMI環境やRFを遮蔽する金属部品による信号伝播の障害という課題にも直面します。

A detailed circuit diagram featuring the LTC6811 chip, showcasing its integration with sensors and diagnostic systems.

組み込み型ワイヤレスネットワークは信頼性と精度を向上させることができます

ADIによって導入されたSmartMesh® 組み込み型無線ネットワークは、産業用IoT(インターネット・オブ・シングス)アプリケーションにおいて現地での検証を経ています。このネットワークは、経路および周波数の多様性を利用した冗長性を実現し、工業や自動車のような厳しい環境においても99.999%以上の信頼性を提供する接続を実現します。
 
複数の冗長接続ポイントを作成することで信頼性を向上させることに加え、無線メッシュネットワークはBMS(バッテリーマネジメントシステム)の機能を拡張します。SmartMesh無線ネットワークは、バッテリーモジュールの柔軟な配置を可能にし、バッテリーのSOC(充電状態)およびSOH(健全性状態)の計算を向上させます。これは、以前は配線が不適切だった場所にセンサーを設置してデータを収集することで実現します。また、SmartMeshは各ノードから時間相関性を持つ測定結果を提供し、より精密なデータ収集を可能にします。
 
ADIは、LTC6811バッテリースタックモニターとADI SmartMeshネットワーク技術を統合し、重要な技術的進展を遂げました。この統合により、電動車およびハイブリッド車における大型マルチセルバッテリーパックの信頼性を向上させるだけでなく、コスト、重量、配線の複雑さも低減する可能性を秘めています。
 
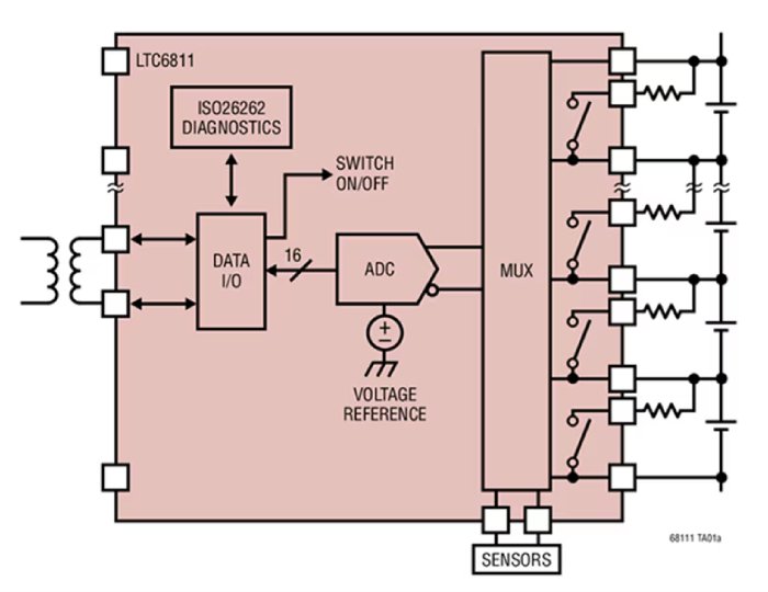
LTC6811は、多セルバッテリーアプリケーション向けに設計されたバッテリースタックモニターです。12個の直列接続セルの電圧を測定することが可能で、総測定誤差は1.2mV未満です。12個全てのセルの測定は290μs以内に完了し、高いノイズ削減のために低いデータ取得速度を選択することも可能です。LTC6811は、0Vから5Vまでのバッテリー測定範囲を持ち、大多数のバッテリー化学アプリケーションに適しています。複数のデバイスをデイジーチェーン接続することで、非常に長い高電圧バッテリースタックを同時に監視することが可能です。このデバイスは各セルのパッシブバランシングを備えており、隔離バリアの両側でデータを交換し、システムコントローラーによって管理されます。コントローラーはSOCの計算、バッテリーバランシングの制御、SOHの確認、およびシステム全体を安全範囲内に維持する役割を果たします。
 
さらに、複数のLTC6811デバイスをデイジーチェーン接続することで、長い高電圧バッテリースタックを同時に監視できます。各LTC6811には、高速でRF耐性のあるリモート通信を可能とするisoSPIインターフェースが備わっています。LTC6811-1を使用する場合、複数のデバイスがデイジーチェーン接続され、すべてのデバイスが1つのホストプロセッサ接続を共有します。一方、LTC6811-2を使用する場合、複数のデバイスがホストプロセッサに並列に接続され、各デバイスは個別にアドレス指定されます。
 
LTC6811はバッテリーパックまたは隔離された電源から直接供給可能であり、各バッテリーセルのパッシブバランシング、各セルごとの個別PWMデューティサイクル制御を備えています。その他の特徴として、内蔵5Vレギュレーター、5つの汎用I/Oライン、およびスリープモード(消費電流を4μAに削減)が含まれます。

Technical schematic illustrating a 12-cell battery stack module with active balancing.

セルバランシングは、バッテリー容量と性能を最適化するために使用されます。

セルバランシングは、バッテリーの性能に大きな影響を与えます。というのも、精密な製造と選定を行った場合でも、セル間で微妙な差が現れる可能性があるからです。セル間の容量の不一致は、バッテリーパック全体の容量を減少させる原因となります。明らかに、スタック内でもっとも弱いセルがバッテリーパック全体の性能を支配します。この問題を克服するために、セルバランシングは、バッテリーを完全に充電した際にセル間の電圧とSOC(State of Charge:充電状態)を均等化する技術として役立ちます。
 
セルバランシング技術は、受動型(パッシブ)と能動型(アクティブ)の2つのタイプに分けられます。受動バランシングを使用する場合、1つのセルが過充電状態になると、その過剰な電力は抵抗器に放散されます。通常、抵抗器とスイッチとして使用されるパワーMOSFETを含むシャント回路が使用されます。セルが過充電状態になると、MOSFETが閉じられ、余剰エネルギーが抵抗器に放散されます。LTC6811は内蔵MOSFETを使用して監視する各セルの充電電流を制御し、それにより各セルをバランスします。この統合されたMOSFETはコンパクトな設計を可能にし、60mAの電流要件を満たすことができます。さらに高い充電電流の要件には、外部MOSFETを使用できます。このデバイスは、バランシング時間を調整するためのタイマーも提供します。
 
一方、能動バランシングでは、モジュール内の他のセルに余分なエネルギーを再分配します。このアプローチではエネルギーの回収が可能で、熱の発生が少ないという利点がありますが、欠点としてより複雑なハードウェア設計が必要です。
 
ADIはLT8584を使用したアーキテクチャを導入し、バッテリーの能動バランシングを実現しました。このアーキテクチャは、シャント充電電流を能動的に調整し、エネルギーをバッテリーパックに戻すことで、受動型シャントバランサーに関連する問題に対処します。エネルギーは熱として放散されず、代わりにバッテリースタック内の残りのバッテリーを再充電するために再利用されます。このデバイスのアーキテクチャはまた、スタック内の1つまたは複数のセルが安全な低電圧閾値に達する前に、スタック全体の容量が枯渇してランタイムが減少する問題に対処しています。能動バランシングのみが、強いセルから弱いセルに電荷を再配分することができ、弱いセルが負荷に電力を供給し続け、バッテリーパックからより高い割合のエネルギーを抽出することを可能にします。フライバックトポロジーは、バッテリーパック内の任意の2点間で電荷を移動できるようにします。多くのアプリケーションでは、電荷はバッテリーモジュール(12セル以上)に戻され、他のアプリケーションでは、電荷はバッテリースタック全体または補助電源レールに戻されます。
 
LT8584は、高電圧バッテリーパックの能動バランシング用に特別に設計されたモノリシックフライバックDC/DCコンバータです。スイッチモードレギュレータの高効率により、達成可能なバランシング電流が大幅に増加し、熱放散が抑制されます。また、能動バランシングでは、不一致があるバッテリーのスタック内で容量回復が可能となり、これは受動バランシングシステムでは達成できない機能です。通常のシステムでは、総バッテリー容量の99%以上を達成できます。
 
LT8584は、6A、50Vの電力スイッチを統合しており、アプリケーション回路の設計の複雑さを軽減します。このデバイスは、放電しているセルだけに依存して動作し、通常、外部電源スイッチを使用する際に必要な複雑なバイアススキームが不要です。イネーブルピン(DIN)は、LTC680xシリーズのバッテリースタックモニターICとシームレスに連携するように設計されています。さらに、LTC680xシリーズのデバイスと組み合わせて使用する場合、LT8584は電流や温度のモニタリングを含むシステムテレメトリの機能を提供します。無効化された状態では、LT8584は通常、バッテリーから20nA未満の総静止電流しか消費しません。

結論

低排出量車両の鍵は電動化にありますが、それにはリチウムイオン電池などのエネルギー源の賢明な管理も必要です。不適切な管理はバッテリーパックの信頼性を損なう可能性があり、車両の安全性を大幅に低下させます。アクティブバランシングとパッシブバランシングの両方が、安全かつ効率的なバッテリー管理に貢献します。分散型バッテリーモジュールはサポートが容易であり、有線または無線を介してデータをBMSコントローラーに確実に送信することができます。これにより、信頼性の高いSOC(充電状態)およびSOH(健康状態)の計算が可能になります。ADIは包括的なBMSコンポーネントのラインナップを提供しており、顧客がBMS開発を加速し、電気自動車バッテリーの運用効率と安全性の管理をより効率的に行えるよう支援します。

記事タグ

バッテリーマネジメントシステム (BMS)
電気自動車 (EV)
アロータイムズ

関連コンテンツ