새로운 arrow.com을 이용하고 계십니다. 언제든지 기존 사이트로 돌아갈 수 있습니다.  기존 사이트로 돌아가기

Arrow Electronic Components Online

아날로그 vs 디지털 MEMs 마이크: 최고의 MEMs 마이크 인터페이스 선택

MEMS (미소 전자 기계 시스템)12 7월 2021
중앙에 점이 있는 직사각형 모양과 원형을 포함한 디지털 일러스트레이션.
모든 기사 보기

아날로그 및 디지털 MEMS 마이크로폰 인터페이스 간의 차이점과 디자인에 적합한 마이크로폰 출력 유형을 선택하는 방법에 대해 Same Sky의 Bruce Rose가 작성한 유익하고 따라하기 쉬운 이 기사에서 알아보세요.

MEMS(미세 전자 기계 시스템) 마이크는 다양한 장치에 고급 통신 및 모니터링 기능을 추가할 수 있는 기회를 확장시켰습니다. 현재 가정용 디지털 비서와 음성 인식 내비게이션 장치의 인기는 음성 제어 전자 기기의 엄청난 성장을 촉진할 가능성을 보여주는 몇 가지 사례에 불과합니다. MEMS 기술이 마이크 시장에서 점유율을 점점 지배하기 시작하면서 MEMS 마이크의 전기 인터페이스 유형과 이를 사용하는 방법을 검토하기에 좋은 시점입니다.

MEMS 마이크란 무엇인가요?

MEMS 마이크는 일반적으로 두 개의 반도체 칩을 하나의 패키지에 배치하여 구성됩니다. 첫 번째 반도체 칩은 MEMS 멤브레인으로, 음파를 전기 신호로 변환하며, 두 번째 칩은 증폭기로서 때로는 아날로그-디지털 변환기(ADC)를 포함합니다. MEMS 마이크에 ADC가 포함되지 않은 경우 사용자에게 아날로그 출력 신호가 제공되며, ADC가 포함된 경우 디지털 출력 신호가 제공됩니다.

아날로그 MEMS 마이크로폰 인터페이스

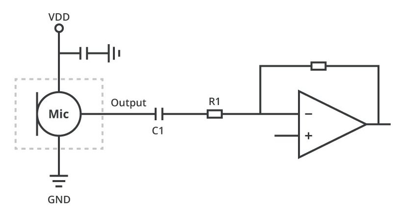
아날로그 출력을 사용하는 MEMS 마이크는 아래 그림과 같이 호스트 회로와의 간단한 인터페이스를 제공합니다. 이때, 마이크의 아날로그 출력 신호는 마이크 내부에 있는 증폭기에 의해 구동된다는 점을 주의해야 합니다. 따라서 마이크의 출력 신호는 이미 합리적인 신호 레벨에 있으며, 출력 임피던스도 비교적 낮습니다.   DC 차단 커패시터(C1)는 호스트 회로의 DC 입력 전압이 MEMS 마이크의 DC 출력 전압과 일치할 필요가 없도록 합니다. C1과 R1의 조합으로 생성된 폴 주파수는 원하는 오디오 주파수 신호가 허용 가능한 수준의 감쇠로 호스트 회로에 전달될 수 있도록 충분히 낮게 설정해야 합니다 [즉, 최소 오디오 주파수 범위인 20 Hz에 대해; 1/(2*π*R1*C1) < 20 Hz].

A technical schematic of a microphone circuit connected to an operational amplifier.

아날로그 출력이 있는 MEMS 마이크를 외부 앰프에 연결하기

디지털 MEMS 마이크로폰 인터페이스

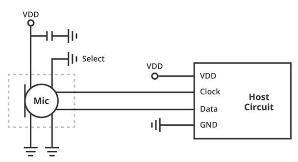
디지털 인터페이스가 있는 MEMS 마이크로폰의 출력 신호는 종종 펄스 밀도 변조(PDM)로 인코딩됩니다. PDM에서는 아날로그 신호 전압이 로직 하이(high) 신호의 밀도와 대응되는 단일 비트 디지털 스트림으로 변환됩니다. PDM의 장점으로는 전기적 노이즈 내성, 비트 오류 허용, 그리고 간단한 하드웨어 인터페이스가 있습니다.   아래 그림은 PDM 출력이 있는 단일 디지털 마이크로폰을 호스트 회로에 연결하는 방법을 보여줍니다. 그림에서 "Select" 핀을 Vdd 또는 Gnd에 연결하면 클록 신호의 상승 에지 또는 하강 에지에서 데이터가 나타나는지를 결정합니다.

A technical diagram illustrating the connection between a microphone and a host circuit.

단일 디지털 PDM MEMS 마이크 연결

아래 그림은 두 개의 마이크를 공유된 클럭 및 데이터 라인을 사용하여 호스트 회로에 연결하는 방법을 보여줍니다. 이 구성은 스테레오 마이크를 구현할 때 자주 사용됩니다.

A technical diagram illustrating the connection of high and low microphones to a host circuit.

두 개의 디지털 PDM MEMS 마이크는 동일한 클럭 및 데이터 라인을 사용하여 연결할 수 있습니다

MEMS 마이크를 위한 아날로그 또는 디지털 출력 선택

MEMS 마이크로폰의 아날로그 또는 디지털 출력 신호를 사용하는 결정은 종종 출력 신호가 어떻게 사용될 것인지에 따라 좌우됩니다. 아날로그 출력 신호는 호스트 시스템 내에서 아날로그 처리를 위해 증폭기의 입력에 연결되는 경우 편리합니다. 일반적인 아날로그 애플리케이션의 예로는 간단한 스피커나 라디오 통신 시스템이 있습니다. 아날로그 출력을 가진 MEMS 마이크로폰은 ADC(아날로그-디지털 변환기)가 없기 때문에 디지털 출력을 가진 마이크로폰보다 전력 소비가 낮은 경향이 있습니다.
 
MEMS 마이크로폰의 디지털 출력 신호는 신호가 일반적으로 마이크로컨트롤러나 디지털 신호 프로세서(DSP)와 같은 디지털 회로에 적용될 때 유리합니다. 디지털 출력 신호는 마이크로폰과 호스트 회로 사이의 도체가 전기적 잡음이 많은 환경에 있는 경우에도 유리할 수 있는데, 디지털 출력 신호는 기존 아날로그 신호보다 전기적 잡음 내성이 뛰어나기 때문입니다.

결론

MEMS 마이크 기술은 지속적으로 사용될 예정이므로, 다양한 가능한 구성에 대해 이해하는 것이 중요합니다. 아날로그 출력과 디지털 출력 중에서 선택할 때는 출력 신호가 어떻게 사용될지와 어떤 유형의 시스템에 구현될지를 고려해야 합니다. 다행히도 Same Sky는 아날로그 또는 디지털 (PDM) 출력을 제공하는 다양한 MEMS 마이크를 제공하여 귀하의 설계 요구사항에 맞출 수 있도록 돕습니다.

기사 태그

글로벌
미세전자기계시스템(MEMs)
기사
제품

관련 콘텐츠