Sie erleben das neue arrow.com. Sie können weiterhin zur bisherigen Seite zurückkehren. Zurück zur ursprünglichen Seite

Arrow Electronic Components Online

Dreiphasen-Transformatoren: Aufbau und Konfigurationen

Transformatoren29 Aug. 2024
Eine malerische Aussicht auf mehrere Strommasten, die sich vor einem lebhaften Sonnenuntergangshimmel abzeichnen
Alle Artikel anzeigen

Neben Wasser, Abwasser und anderen Dienstleistungen gehört Strom zu den wichtigsten Versorgungsleistungen in der entwickelten Welt. Je nach Einsatzort kann Strom in unterschiedlichen Spannungen verfügbar sein. Der Schlüssel zum Heruntersetzen (oder Hochsetzen) der Spannung zwischen zwei Systemen? Transformatoren. Dieser Artikel von Bel untersucht die Vor- und Nachteile der vier primären Wicklungskonfigurationen von Drehstromtransformatoren.

Ein Transformator ist ein elektrisches Gerät, das durch elektromagnetische Induktion Leistung zwischen Stromkreisen bei gleicher Frequenz überträgt, wobei üblicherweise die Werte von Spannung und Strom verändert werden. Da alle Energiequellen im 3-Phasen-Format erzeugt werden, spielen 3-Phasen-Transformatoren eine entscheidende Rolle bei der Stromverteilung über lange Distanzen, in regionalen Stromnetzen, lokalen Netzen sowie in Industrie- und Geschäftsanlagen.

Konfigurationen der Wicklungen von 3-Phasen-Transformatoren

Dreiphasen-Leistungstransformatoren werden durch das Wickeln von drei Einphasen-Transformatoren auf einen einzigen Kern konstruiert. Da Kupfer und der Eisenkern effizienter genutzt werden, sind Dreiphasen-Transformatoren bei einer gegebenen Volt-Ampere (VA)-Nennleistung kleiner, kosteneffizienter und leichter als drei einzelne Einphasen-Transformatoren.

Illustration of an electrical transformer showing primary and secondary windings around a core.

Abbildung 1: Typische physische Steckverbinder mit Stecker und Buchse.

3-Phasen-Transformatoren haben typischerweise mindestens 6 Wicklungen – 3 primäre und 3 sekundäre. Die primären und sekundären Wicklungen können in unterschiedlichen Schaltungsarten verbunden werden, um verschiedene Anforderungen zu erfüllen. In gängigen Anwendungen werden die Wicklungen normalerweise in einer von zwei beliebten Konfigurationen verbunden: Delta oder Stern.

Delta-Verbindung

In einer Dreieckschaltung gibt es drei Phasen und keinen Neutralleiter. Eine Ausgangs-Dreieckschaltung kann nur eine 3-Phasen-Last versorgen. Die Leiterspannung (VL) ist gleich der Versorgungsspannung. Der Phasenstrom (IAB = IBC = ICA) entspricht dem Leiterstrom (IA = IB = IC) geteilt durch √3 (1,73). Wenn die Sekundärseite eines Transformators mit einer großen, unausgeglichenen Last verbunden ist, sorgt die Dreieck-Primärseite für eine bessere Strombalance der Eingangsenergiequelle.

Arrow 3 Phase Transformers Construction and Configurations Article Content Image Electrical Circuit Diagram with Labeled Currents

Abbildung 2: Schaltplan der „Delta“-Verbindung.

Wye-Verbindung

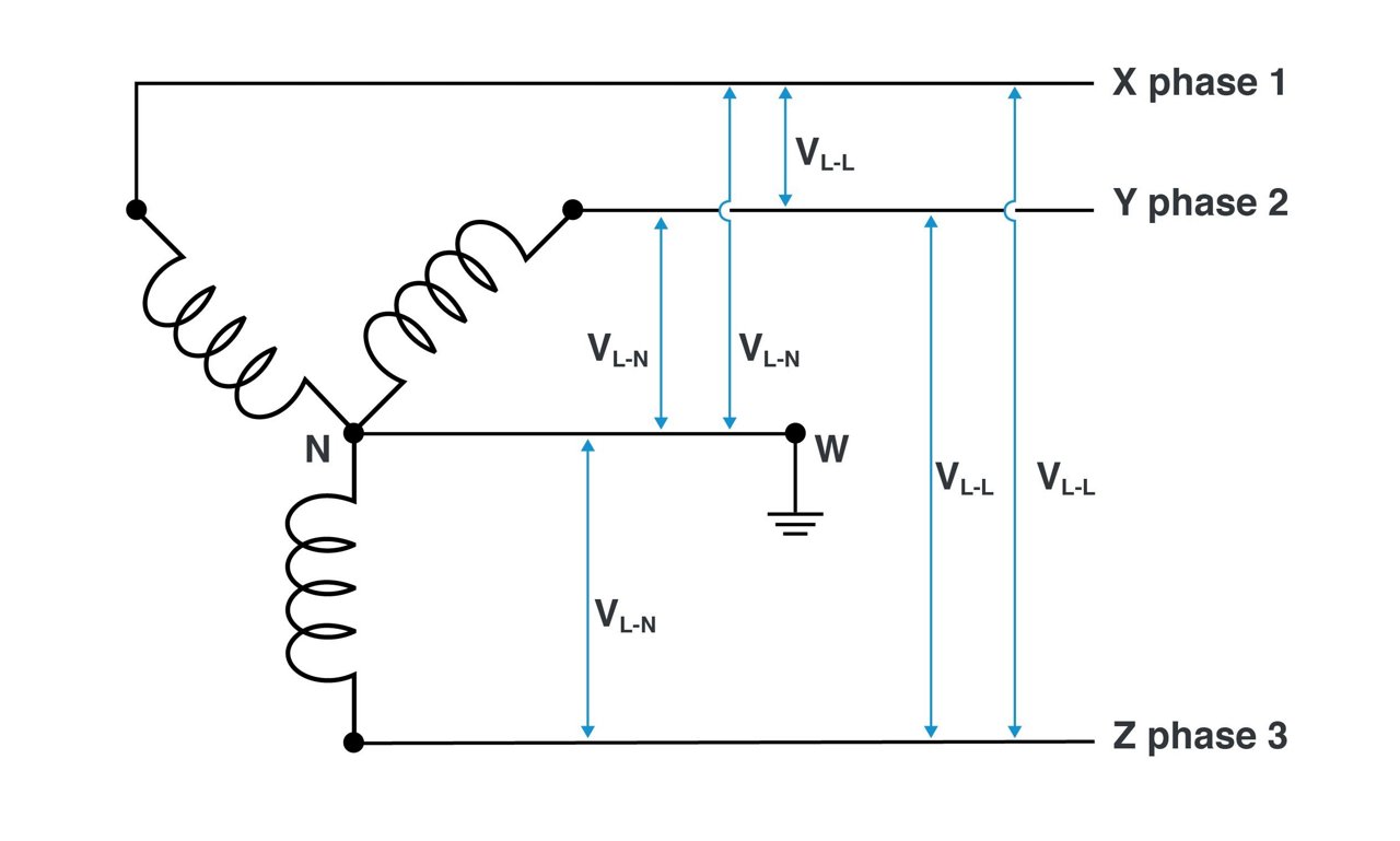
Bei einer Sternschaltung gibt es drei Phasen und einen Neutralleiter (N) – insgesamt vier Leitungen. Ein Ausgang einer Sternschaltung ermöglicht es dem Transformator, eine dreiphasige Spannung (Phase-zu-Phase) sowie eine Spannung für Einphasenlasten zu liefern, nämlich die Spannung zwischen einer beliebigen Phase und dem Neutralleiter. Der Neutralpunkt kann auch geerdet werden, um bei Bedarf zusätzliche Sicherheit zu gewährleisten: VL-L = √3 x VL-N.

A detailed electrical circuit diagram showcasing a three-phase system with labeled voltage measurements.

Abbildung 3: „Wye“-Anschluss-Schema.

Die vier primären Wicklungskonfigurationen

Ein 3-Phasen-Transformator kann in vier gängigen Konfigurationen angeschlossen werden: Dreieck-Dreieck, Stern-Stern, Dreieck-Stern und Stern-Dreieck. Jede Konfiguration, die sich durch ihre Primär- und Sekundärwicklungsanschlüsse unterscheidet, bringt spezifische Vor- und Nachteile mit sich, die die Leistung und die Eignung für bestimmte Anwendungen dieser Transformatoren beeinflussen.

1. Delta / Delta (D/D)

Vorteile von D/d

In einem Delta-Delta-Transformator (identifiziert als D/d) sind sowohl die Primär- als auch die Sekundärwicklungen in der Delta-Konfiguration verbunden. Diese Konfiguration bietet mehrere Vorteile. Wenn eine der drei Spulen fehlerhaft oder deaktiviert wird, können die verbleibenden zwei unbeschädigten Spulen weiterhin 3-Phasen-Strom mit einer Kapazität liefern, die ungefähr zwei Drittel der ursprünglichen Ausgangsleistung des Transformators entspricht.
 
In Fällen, in denen die Sekundärseite des Transformators an eine große, unausgeglichene Last angeschlossen ist, zeichnet sich die Delta-Primärseite dadurch aus, dass sie eine bessere Strombalance für die Eingangsstromquelle bietet.
 
Ein entscheidender Vorteil ist das Fehlen einer Phasenverschiebung zwischen den Primär- und Sekundärwicklungen, was einen harmonischen Leistungstransfer gewährleistet. Diese Konfiguration wird häufig für Anwendungen bevorzugt, die eine Niederspannungs- und Hochstromübertragung erfordern oder bei denen die Kontinuität des Betriebs aufrechterhalten werden muss, insbesondere im Falle eines Phasenausfalls.

D/d Nachteile

In dieser Konfiguration beeinflussen bestimmte Eigenschaften das Design und die Funktionalität von Dreiphasentransformatoren. Die hohe Anzahl von Wicklungen sowohl bei der Primär- als auch der Sekundärwicklung führt zu größeren und teureren Spulen. Diese Bauweise erfordert zusätzliche Isolierung zwischen den Wicklungen und zwischen den Schichten. Die Verwendung von dünnerem Magnetdraht erhöht die Kosten pro Pfund, und bemerkenswerterweise fehlt dieser Konfiguration eine Neutralleiterverbindung.

2. Delta / Sternschaltung (D/Y)

D/y Vorteile

Die primäre Delta- und sekundäre Wye-Konfiguration (D/y) zeichnet sich durch ihre Fähigkeit aus, eine dreiadrige, ausgewogene Last an die Stromerzeugungsanlage zu liefern und dabei verschiedene Anwendungen nahtlos zu unterstützen. Diese Konfiguration wird häufig für die Stromversorgung von kommerziellen, industriellen und hochdichten Wohngebieten gewählt.   Dieses Setup ist in der Lage, sowohl Dreiphasen- als auch Einphasenlasten zu versorgen und kann einen gemeinsamen Ausgangsneutralleiter schaffen, wenn die Quelle fehlt. Es unterdrückt effektiv Störungen (Oberwellen) von der Leitung auf die Sekundärseite.

D/y Nachteile

Wenn eine von drei Spulen fehlerhaft oder deaktiviert wird, kann dies die Funktionalität der gesamten Gruppe gefährden, und die 30-Grad-Phasenverschiebung zwischen den primären und sekundären Wicklungen kann zu einem stärkeren Ripple in Gleichstromkreisen führen.

3. Wye / Delta (Y/D)

Vorteile von Y/d

Die Y/d-Konfiguration nutzt eine Hochspannungseingabe, wodurch die Spannung über die einzelnen Spulen um den Faktor √3 reduziert wird. Dies führt zu weniger Wicklungen und reduziertem Isolationsbedarf. Diese Konstruktion kann als Abwärtstransformator verwendet werden, hauptsächlich am Ende der Übertragungsleitung. Außerdem umfasst sie eine Erdungsleitung (Neutralleiter) auf der Seite der Stromquelle.

Nachteile von Y/d

Y/d weist die gleichen potenziellen Nachteile wie die D/y-Konfiguration auf – die gesamte Gruppenfunktionalität kann im Falle eines Ausfalls einer einzelnen Spule deaktiviert werden, und das Einführen einer Phasenverschiebung um 30 Grad zwischen Primär- und Sekundärwicklungen kann zu verstärktem Ripple in Gleichstromkreisen führen.

4. Wye / Wye (Y/Y)

Y/y Vorteile

Unter den vier gängigen 3-Phasen-Transformator-Konfigurationen ist die Y/y-Einrichtung die kosteneffektivste Wahl. Sie bietet eine nahtlose Leistungsübertragung ohne Phasenverschiebung zwischen Primär- und Sekundärwicklungen. Erdungs- (Neutral-)Leitungen stehen sowohl auf der Primär- als auch auf der Sekundärseite zur Verfügung, was Vielseitigkeit bei der Stromversorgung von sowohl 3-Phasen- als auch Einphasenlasten gewährleistet.

Y/y Nachteile

Um eine optimale Leistung sicherzustellen, müssen Einphasenlasten innerhalb dieser Konfiguration so gut wie möglich ausgeglichen werden. Es ist wichtig zu beachten, dass die Y/y-Konfiguration möglicherweise anfälliger für das Übertragen von Störungen zwischen der Stromquelle und der Last ist.

Trockentransformatoren & flüssigkeitsgefüllte Transformatoren

Abhängig von Leistungs- und Spannungspegeln können 3-Phasen-Transformatoren in zwei Hauptkategorien unterteilt werden: Trockentransformatoren, die Luft als Kühlmedium nutzen, oder flüssigkeitsgefüllte Transformatoren, die Öl als Kühlmedium verwenden.

Trockentransformatoren: Offene Bauform oder Gießharzspulen

Unter den Trockentransformatoren gibt es zwei Hauptkategorien:

  1. Open Frame, mit freigelegtem, harzimprägniertem Kern und Spulen für Schaltschrankinstallationen mit elektrischen Leistungswerten von Spannung – bis zu 1000V und Leistung – bis zu 500 kVA.
  2. Gegossene Rosinenspulen, bei denen jede Spule fest gegossen ist, oft in einer Epoxidform, mit elektrischen Nennwerten von Spannung – bis zu 36,0 kV und Leistung – bis zu 40 MVA.

Flüssigkeitsgefüllte Transformatoren

Flüssigkeitsgefüllte Transformatoren sind im Gegensatz dazu vollständig in spezielles Mineralöl innerhalb vakuumdichter Metallbehälter eingetaucht und haben elektrische Leistungswerte von Spannung – 6,0 kV bis 1.500 kV und Leistung – bis zu über 1000 MVA.

Three industrial transformers are displayed against a white background.

Bild 1: Arten von Transformatoren.

Optimale Konfiguration eines offenen Rahmentransformators

Für Open-Frame-Transformatoren bevorzugen die meisten Industrien, wenn es die Umstände erlauben, den Anschluss eines Drehstromtransformators für Anwendungen in der Stromverteilung mit Delta-Eingang und Stern-Ausgang.   Die gängigsten Eingangsspannungen für Delta-Konfigurationen sind 600V, 480V, 415V, 400V, 230V und 208V. Die häufigsten Ausgangsspannungen für Stern-Konfigurationen sind wie folgt: In Kanada: 600V (L-L) und 347V (L-N). Für große industrielle Lasten in den USA liefert sie 480V (L-L) und 277V (L-N). Bei kleinen industriellen, gewerblichen und privaten Lasten in den USA betragen die Ausgangsspannungen 208V (L-L) und 120V (L-N).   Signal Transformer Co. ist ein führender Hersteller in diesem Bereich und spezialisiert auf die Produktion von Trockentransformatoren im Open-Frame-Design mit drei Phasen. Mit über 50 Jahren Erfahrung in der Herstellung von Transformatoren, Drosseln, Induktivitäten sowie kundenspezifischen oder modifizierten Standardprodukten zeichnet sich Signal Transformer in der Konstruktion und Herstellung kosteneffizienter, spezialisierter Plattformen aus.

Artikel Tags

Global
Artikel
Bel Power Solutions
Transformatoren
Energiemanagement
Signaltransformator

Ähnliche Inhalte