Vous êtes en train de découvrir le nouveau site arrow.com, mais vous pouvez revenir à tout moment à votre expérience initiale. Retour au site d'origine.

Arrow Electronic Components Online

Evolving Vehicle Safety with Intelligent Charging Port Functionality and Direct Flap Monitoring

Electric Vehicles (EV)16 avr. 2024
A close-up view of an electric car being charged, featuring a visible Melexis logo and tagline 'Innovation with Heart'.
View all articles

The transition to electric vehicles is well underway, with manufacturers constantly introducing new models. However, in the grand scheme of human mobility, EVs are still a relatively new technology. They haven’t had decades to evolve and improve yet, as their internal combustion ancestors have previously. Safety, especially around high-voltage batteries, chargers, and associated components, is a huge consideration. This article explores the Melexis MLX81118, a 24-ch IC LED driver for reliable, intelligent, high-performance EV charging ports.
 
In terms of automotive design, safety is perhaps the most singular important factor. A vehicle may be aesthetically pleasing, well-priced, or highly performing, but if it is not safe or reliable, the vehicle has no place on the market and represents a danger to consumers. Safety devices like airbags and seatbelts, which directly interact with passengers, are crucial for vehicle safety. However, vehicle safety systems are continuously advancing to meet the evolving needs of the industry, extending beyond direct and apparent measures. Components like instrumentation displays and gauges also play a vital role in vehicle safety, offering essential information about the vehicle’s status and detecting any potential faults.
 
The transition to electric vehicles (EVs) across the industry has prompted a substantial redesign of vehicle fuel sources and powertrain mechanisms. With this redesign, there are new and extensive requirements for vehicle instrumentation. These requirements are critical in ensuring driver safety and informing them about vital details like battery charge and remaining range.
 
Manufacturers are redesigning vehicle systems that have remained unchanged for years, creating a need for new and innovative solutions that can not only fulfill the safety demands but can bring elevated functionality capable of enhancing the user’s experience. Melexis is at the forefront of this endeavor, developing state-of-the-art solutions that challenge the conventional definition of a vehicle safety system.

Out with the Fuel Filling Point, in with the Charging Port

The fuel filling point has consistently been an essential design element for vehicles that rely on internal combustion engines (ICE). Due to the requirements of the vehicle’s fuel tank and weight distribution, even the location of the filling point on the vehicle has remained mostly constant.
 
EVs present significant differences in weight distribution and packaging constraints compared to traditional vehicles. One notable advantage is that it is relatively easier to have a longer distance between the charging port and battery pack, as opposed to the challenge of having a long fuel hose running between a fuel filler flap and a tank.
 
This progress allows designers to have increased flexibility in repositioning the charging point for better ergonomics. A prime example is placing the charging point at the front of the vehicle, which conveniently matches the placement of EV charging stations found at the front of parking bays.

Addressing the Demands of the Latest Charge Port Designs

With extensive experience and a wide array of products, Melexis is highly regarded in the automotive LED driver market, and EV charging ports are among the applications being targeted by its latest solutions.
The functionality of electric vehicles heavily relies on charge ports. These devices are often used and need to be both reliable in their operation and able to indicate the charging status to the user. To meet these criteria, an increasing number of automotive manufacturers are now employing LED technology in proximity to the charging point.
 
These lights are utilized to display the charging status and indicate any potential errors using either static or basic dynamic lighting. By providing a clear indication at the point of connection, the end user can easily check the battery level or identify any potential risks. Electric powertrain adoption has made vehicle design more complex, requiring advanced functionality in charging port designs, such as flap monitoring and high-voltage connector temperature sensing.
 
Melexis’ new MLX81118 is an intelligent 24-channel integrated circuit (IC) LED driver designed to meet the functional safety requirements of the latest EV charging ports (Figure 2). It features a local interconnect network (LIN) interface and is ASIL compliant (ISO 26262) supporting system integration up to ASIL B.

Two small microchips are displayed on a brushed metallic surface.

Figure 2: Melexis MLX81118 LED driver IC

With its smart microcontroller unit (MCU) and embedded flash memory, the MLX81118 allows for flexible system design and convenient updates to its functions. The core function of the IC is as an LED driver, offering programmable current sources with up to 60mA per channel low side (max 1A LED current) and a 16-bit PWM (500 Hz) for brightness control.
 
The system supports static lighting and basic LED animation. Each LED is fully diagnosable, and its temperature can be determined by measuring the LED threshold voltage (Figure 3).

A technical diagram showcasing a LIN-based LED driver system with integrated components.

Figure 3: Melexis MLX81118 block diagram and alternative GPIO functionality (Source: Melexis)

What sets the functionality apart is the product’s versatility. Unlike typical automotive LED drivers for charging ports, it offers 24 channels to drive RGB and/or single-color LEDs. Furthermore, these channels can be configured as general-purpose input/output (GPIO) channels. With the GPIO functionality, you get a 5V supply output at 20mA, support for SPI/I2C communication, external wake-up capability, and the option to configure GPIOs with the integrated analog-to-digital converter (ADC).
 
This facility’s existence facilitates a more extensive range of applications with enhanced functionality and localized control capabilities, surpassing the conventional capabilities of an LED IC.

Creating More Intelligent Charging Ports

By leveraging the flexibility of Melexis’ MLX81118, engineers can construct smarter charging ports within a vehicle without a significant expansion in the Bill of Materials (BoM) component count.
 
Within a charging point application, the integrated 10-bit ADC can be configured to the GPIOs. This configuration can be utilized to measure the temperature of sensors positioned at one or more of the high-voltage connectors found within the charge port. When operating in a functional safety setting, being mindful of the charging connectors’ temperature is of utmost importance. In addition, the IC driver includes an internal temperature sensor that complements external measurements and provides accurate data on the ambient temperature of the charge port.
 
In the given setup, the MLX81118 is capable of effectively overseeing information from external temperature sensors and transmitting it accordingly. For instance, in the event of an over-temperature error, the IC’s intelligent programming can be utilized to inform the driver of excessive heat in the port, potentially through the activation of red flashing LEDs in proximity. Simultaneously, this information can be transmitted to broader components and controllers through the LIN interface or GPIO channels that have been configured as an SPI or I2C interface.
 
Beyond temperature-related functionality, the adaptability of the MLX81118 can aid engineers in improving other areas of the charging ports’ safety as well as heightening the end user’s experience (Figure 4).

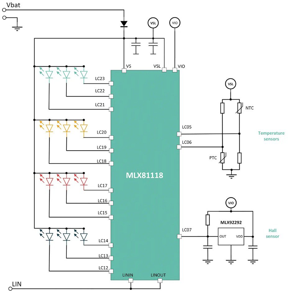
A technical schematic showcasing the MLX81118 integrated circuit connected to various components.

Figure 4: Melexis MLX81118 charging port lighting example circuit with temperature sensors and flap monitoring (Source: Melexis)

Incorporating a Hall switch or an inductive switch is a practical method for monitoring the charge flap’s open or closed status. Melexis’ MLX92292 (Hall effect switch) or MLX92442 (Induxis® switch) sensors are illustrative options. The output of the Hall sensor IC is connected to the GPIOs of the MLX81118, enabling the monitoring of the flap position by a vehicle body domain controller (BDC) via the LIN interface of the LED driver. This intelligent integration has the potential to decrease the quantity of connections to the vehicle’s BDCs, while also enabling direct activation of the LEDs through adjustments in the flap position.
 
The smart integration and direct connection of the flap position and LED driver can enhance the end-user experience. To provide an example, when the MLX92292 detects a change in its switching state as the flap opens, the MLX81118 can be configured to activate the LEDs around the charging port to provide illumination in dark conditions. Similarly, designers can choose to add smart features, like noticeably flashing the port LEDs if the charging port flap is left open after unplugging the charger, which reduces the risk of damage while driving. Another option is to indicate the charging status by using different numbers of lit-up LEDs or by changing colors.

Conclusion

Automotive designers constantly seek smart solutions that can autonomously make important decisions and handle safety-critical tasks without adding too many components or processing burdens. By using the MLX81118, the logic, and control for implementing this functionality are centralized at the charging point components, resulting in a reduced processing load on central or zonal vehicle control systems compared to traditional installations.
 
LEDs have also become a crucial element in automotive design, enabling manufacturers to create unique visual styles for their models and convey vital information to the driver. The MLX81118 embraces the latest trends by offering a groundbreaking approach to LED installations in electric vehicle charging ports and more, with its flexibility also bringing advantages to other areas of vehicle design and adjacent markets.

Étiquettes d'article

Melexis
Automobile
Electric vehicles (EV)
Products

Related Content