Está experimentando el nuevo arrow.com, puede volver a la experiencia original en cualquier momento. Volver al sitio original​

Arrow Electronic Components Online

LTM4652: Regulador μModule de fuente/sumidero dual ±25A o único ±50A con protección contra sobretensión de entrada

Gestión de Energía 02 feb 2023
Primer plano de un sensor industrial con una pantalla digital que muestra '0.84'
Ver todos los artículos

The LTM4652 is a source/sink dual ±25A or single ±50A output switching mode step-down DC-to-DC μModule regulator with ±1.5% total DC output error. Operating from an input voltage range of 4.5V to 18V, the LTM4652 supports two outputs with an output voltage range of 0.6V to 7.5V, each set by a single external resistor. Its high-efficiency design delivers up to ±25A continuous current for each output.

Características y Beneficios Clave

  • La corriente dual de fuente y sumidero de ±25A o única de ±50A cumple con los requisitos para aplicaciones de prueba automatizadas
  • El amplio rango de VIN y VOUT puede soportar una amplia gama de requisitos, desde 12VIN a 7.5VOUT (configuración buck), hasta +12VIN a -6VOUT (configuración buck-boost inversa)
  • La compensación del bucle de control externa y ajustable puede optimizar el rendimiento transitorio para una gama muy amplia de condiciones de operación

Aplicaciones

  • Instrumentación y Medición: ATE

Placa de evaluación

El LTM4652 se puede evaluar con el DC3230A.

Diagramas de bloques y tablas

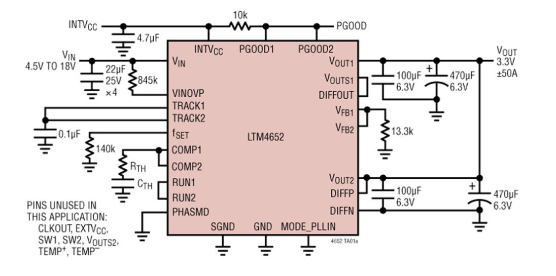
Detailed schematic of the LTM4652 power module showcasing electrical connections and components.

A detailed top view diagram of a BGA package with labeled pins and components.

A graph illustrating efficiency percentages against output current for two voltage inputs, 5VIN and 12VIN.

Agregar tarjeta de contenido del producto:

LTM4652IY#PBF

Analog Devices  

LTM4652EY#PBF

Analog Devices  

DC3230A

Analog Devices

Etiquetas de artículo

Gestión de Energía
Artículo
Global Global

Contenido relacionado