Está experimentando el nuevo arrow.com, puede volver a la experiencia original en cualquier momento. Volver al sitio original​

Arrow Electronic Components Online

Desarrollo y ventajas tecnológicas de la medición de energía en corriente continua

Carga de vehículos eléctricos06 jun 2024
Acercamiento de un vehículo eléctrico conectado a una estación de carga en un entorno exterior.
Ver todos los artículos

Impulsadas por el avance de tecnologías de conversión de energía eficientes y rentables basadas en semiconductores de banda ancha como los dispositivos GaN y SiC, muchas aplicaciones están comenzando a reconocer los beneficios de la transición a la energía de corriente directa (DC). Por lo tanto, la medición precisa de energía DC está adquiriendo una importancia cada vez mayor, especialmente en áreas relacionadas con la facturación de energía. Este artículo analizará las oportunidades para la medición DC en aplicaciones como estaciones de carga de vehículos eléctricos, centros de datos, microrredes y las soluciones relevantes introducidas por ADI.

La medición de energía en corriente continua mejora la precisión en la facturación de energía

Los gobiernos de todo el mundo están implementando actualmente planes de acción para abordar el desafío a largo plazo y complejo de reducir las emisiones de CO2. Las emisiones de CO2 han sido identificadas como un contribuyente importante a las consecuencias del cambio climático, lo que impulsa una demanda rápida de nuevas tecnologías de conversión de energía eficientes y mejoras en la química de las baterías. 

Hoy en día, existe una demanda creciente de soluciones energéticas más eficientes y respetuosas con el medio ambiente. Aunque los primeros desarrolladores de redes encontraron más fácil suministrar al mundo corriente alterna (CA), la corriente continua (CC) ofrece una eficiencia significativamente mejorada en muchos ámbitos. Las aplicaciones de medición de energía CC son diversas, y las estaciones de carga CC para vehículos eléctricos están destinadas a convertirse en una dirección de desarrollo clave.

En los últimos años, se han realizado esfuerzos significativos para aumentar la capacidad y la vida útil de las baterías, junto con el despliegue de una red de estaciones de carga para vehículos eléctricos. Esta red es esencial para eliminar preocupaciones sobre la autonomía de conducción o los tiempos de carga, permitiendo viajes cómodos a larga distancia. Muchos proveedores de energía y empresas privadas están implementando cargadores rápidos con capacidades de hasta 150 kW, y el interés público también se ha despertado por los cargadores ultrarrápidos capaces de ofrecer hasta 500 kW por estación de carga. Dada la potencia máxima de carga local de megavatios en estaciones de carga ultrarrápida y las tasas asociadas a las tarifas premium de energía por carga rápida, la carga de vehículos eléctricos está destinada a convertirse en un mercado sustancial para el intercambio de energía eléctrica, lo que requiere una medición precisa de la energía para fines de facturación.

Otra aplicación crucial de la distribución de corriente continua son las microredes, que son esencialmente versiones más pequeñas de los sistemas de servicio público y requieren fuentes de energía seguras, confiables y eficientes. Las microredes se utilizan en entornos como hospitales y bases militares, e incluso pueden funcionar como parte de los sistemas públicos donde la generación de energía renovable, los generadores de combustible y el almacenamiento de energía se combinan para crear un sistema confiable de distribución de energía.

Las microredes también se utilizan en las estructuras de los edificios, donde el uso generalizado de generadores de energía renovable permite que los edificios sean autosuficientes en electricidad. La energía generada por paneles solares en los tejados y pequeños aerogeneradores es suficiente para un funcionamiento independiente, mientras que aún se cuenta con el apoyo de la red pública.

Los centros de datos alimentados por suministro de corriente directa son otra aplicación significativa. Los operadores de centros de datos están considerando activamente diversas tecnologías y soluciones para mejorar la eficiencia energética de las instalaciones, dado que la energía es uno de sus principales costos.

Los operadores de centros de datos están reconociendo los beneficios asociados con la distribución de corriente directa, que no solo minimiza la necesidad de conversiones entre corriente alterna (AC) y corriente directa (DC), sino que también facilita una integración más simple y eficiente con fuentes de energía renovables. Lograr ahorros energéticos del 5% al 25% puede mejorar la eficiencia en la transmisión y conversión, reducir la generación de calor y duplicar la confiabilidad y disponibilidad, al tiempo que reduce el espacio requerido en un 33%. Con muchos operadores adoptando enfoques de medición basados en el consumo de electricidad para facturar a los clientes, la medición precisa de energía DC está cobrando cada vez más importancia.

Illustration of an energy system showing a photovoltaic source connected to PV inverters, DC metering units, and ESS chargers

La medición de energía eléctrica requiere la capacidad de detectar fallos y manipulaciones eléctricas

A principios del siglo XX, los medidores de corriente alterna (AC) tradicionales eran completamente electromecánicos. Utilizaban una combinación de bobinas de voltaje y de corriente para inducir corrientes parásitas en un disco de aluminio en rotación. El par producido en el disco de aluminio, debido al producto del flujo magnético generado por las bobinas de voltaje y de corriente, era proporcional a la electricidad consumida. Finalmente, se añadió un imán de frenado al disco de aluminio para garantizar que la velocidad de rotación fuera directamente proporcional a la potencia real consumida. Contando el número de rotaciones en un período de tiempo, se podía medir el consumo de electricidad.

Los medidores de corriente alterna modernos son mucho más complejos y precisos, y también pueden prevenir el robo de electricidad. Los medidores inteligentes avanzados pueden monitorear su precisión absoluta y detectar señales de robo en el lugar las 24 horas del día. Ya sean medidores modernos, medidores tradicionales, medidores de corriente alterna o medidores de corriente continua, se clasifican según sus constantes de impulsos por kilovatio-hora y niveles de precisión en porcentaje.

Para medir la potencia consumida por una carga (P = V × I), se requieren al menos un sensor de corriente y un sensor de voltaje. Por lo general, la corriente que fluye a través del medidor se mide en el lado de alta tensión cuando el lado de baja tensión está en potencial de tierra. Esta configuración minimiza el riesgo de corriente de fuga no medida. Sin embargo, la corriente también puede medirse en el lado de baja tensión si la arquitectura de diseño lo requiere, o se pueden medir ambos lados. La técnica a menudo implica medir y comparar la corriente en ambos lados de la carga para habilitar capacidades de detección de fallos y manipulación en el medidor. Cuando se mide la corriente en ambos lados, se necesita al menos un sensor de corriente con aislamiento para manejar el alto potencial entre los conductores.

El voltaje generalmente se mide utilizando divisores de potencial resistivos, donde se emplea una serie de resistencias para reducir el voltaje proporcionalmente a un nivel compatible con la entrada del ADC del sistema. La medición precisa del voltaje se puede lograr fácilmente utilizando componentes estándar debido a la gran amplitud de la señal de entrada. Sin embargo, es importante considerar el coeficiente de temperatura y el coeficiente de voltaje de los componentes seleccionados para garantizar la precisión requerida en todo el rango de temperatura.

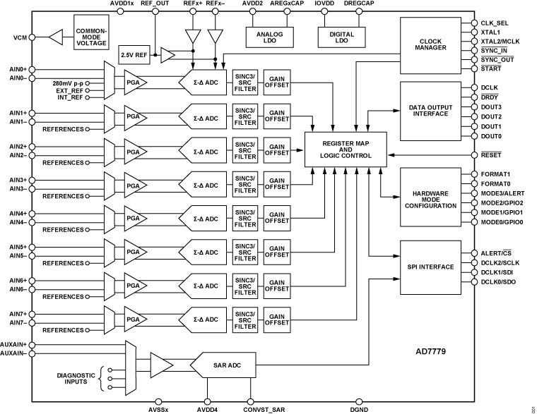
Detailed schematic of an analog-to-digital converter (ADC) system showcasing multiple signal paths and components

Proporcione un ADC de alta velocidad con una corriente de entrada ultra baja

En las aplicaciones de medición de energía en corriente continua (DC), el AD7779, el AD8629 y el ADA4528-1 de ADI desempeñan roles significativos. Entre ellos, el AD7779 es un ADC de muestreo simultáneo de 8 canales que integra 8 ADC Σ-Δ completos en un solo chip. El AD7779 cuenta con una corriente de entrada ultra baja, lo que permite la conexión directa a sensores. Cada canal de entrada incluye una etapa de ganancia programable con ganancias de 1, 2, 4 y 8, lo que permite que las salidas de los sensores con menor amplitud se mapeen al rango de entrada de escala completa del ADC, maximizando el rango dinámico de la cadena de señal. El AD7779 acepta VREF de 1 V a 3.6 V. Las entradas analógicas aceptan señales de entrada analógicas unipolares (0 V a VREF/GAIN) o verdaderas bipolares (±VREF/GAIN/2 V), con voltajes de suministro analógico de 3.3 V o ±1.65 V. La entrada analógica puede configurarse para aceptar señales verdaderamente diferenciales, pseudo-diferenciales o de un solo extremo para coincidir con las diferentes configuraciones de salida de los sensores.

Cada canal incluye un modulador ADC y un filtro digital sinc3 de baja latencia. El AD7779 utiliza SRC para un control de resolución precisa de la Tasa de Datos de Salida (ODR, por sus siglas en inglés). Este control es útil para aplicaciones donde la resolución de ODR necesita mantener coherencia cuando la frecuencia de la línea cambia en 0,01 Hz. El SRC puede ser programado a través de una Interfaz Periférica Serial (SPI, por sus siglas en inglés). El AD7779 admite dos interfaces diferentes: una Interfaz de Salida de Datos y una Interfaz de Control SPI. La Interfaz de Salida de Datos del ADC está dedicada a enviar los resultados de conversión del ADC desde el AD7779 al procesador. La interfaz SPI se usa para configurar los registros de configuración del AD7779 para operaciones de lectura/escritura, así como para controlar y leer datos del ADC SAR. Además, la interfaz SPI puede configurarse para emitir datos de conversión Σ-Δ.

El AD7779 cuenta con un ADC SAR de 12 bits que puede ser utilizado para diagnósticos dentro del propio AD7779, eliminando la necesidad de dedicar un canal ADC Σ-Δ específicamente para funciones de medición del sistema. A través de multiplexores externos (controlados mediante 3 pines de entrada/salida general, GPIO) y acondicionamiento de señal, el ADC SAR puede ser empleado para verificar los resultados de medición del ADC Σ-Δ en aplicaciones que requieren seguridad funcional. Además, el ADC SAR del AD7779 incluye un multiplexor que puede ser utilizado para detectar nodos internos.

El AD7779 incorpora una fuente de voltaje de referencia de 2.5 V y un búfer de referencia. El coeficiente de temperatura de la fuente de voltaje de referencia es de 10 ppm/°C (típico). El AD7779 opera en dos modos: modo de alta resolución y modo de bajo consumo. El modo de alta resolución ofrece un rango dinámico más alto con un consumo de energía de 10.75 mW por canal, mientras que el modo de bajo consumo opera con una especificación de rango dinámico más bajo con un consumo de energía de 3.37 mW por canal. El rango de temperatura de operación nominal para el AD7779 es de -40°C a +105°C, con una temperatura máxima de operación del dispositivo de +125°C.

A detailed diagram of the AD8629 integrated circuit, showcasing its pin configuration and labeling

Un amplificador con características de ultra baja ruido, deriva y corriente

El amplificador AD8629 de ADI ofrece un ultra-bajo offset, deriva y corrientes de polarización, lo que lo convierte en una opción ideal para aplicaciones de precisión. Es un amplificador de ancho de banda amplio, auto-cero, con capacidades de entrada y salida rail-to-rail, además de características de bajo ruido. El AD8629 opera con un voltaje de suministro único de 2.7 V a 5 V (o con un voltaje de suministro dual de ±1.35 V a ±2.5 V).

El AD8629 ofrece ventajas que anteriormente solo se encontraban en amplificadores auto-cero o estabilizados por chopper de alta gama. Estos amplificadores de deriva cero utilizan la topología de circuito de ADI para combinar un bajo costo con alta precisión y rendimiento de bajo ruido, todo ello sin necesidad de capacitores externos. Además, el AD8629 reduce significativamente el ruido de conmutación digital presente en muchos amplificadores estabilizados por chopper.

AD8629 features an offset voltage of just 1 µV, offset voltage drift less than 0.005 µV/°C, and noise of only 0.5 µV peak-to-peak (0 Hz to 10 Hz), making it suitable for applications where error sources are not tolerated. These devices exhibit near-zero drift within their operating temperature range, making them highly advantageous for applications such as position and pressure sensors, medical equipment, and strain gage amplifiers. Many systems can benefit from the AD8629's rail-to-rail input and output swing capabilities to reduce input biasing complexity and achieve higher signal-to-noise ratios.

El AD8629 tiene un rango de temperatura nominal de -40°C a +125°C, extendiéndose a rangos de temperatura industriales. Está disponible en paquetes plásticos estándar SOIC estrecho de 8 pines y MSOP.

Another amplifier from ADI, the ADA4528, is an ultra-low noise, zero-drift operational amplifier with rail-to-rail input and output swing capabilities. It features an offset voltage of 2.5 µV, offset voltage drift of 0.015 µV/°C, and noise of 97 µV peak-to-peak (0.1 Hz to 10 Hz, AV = +100), making it highly suitable for applications where error sources are not permitted.

El ADA4528 funciona en un amplio rango de voltaje de alimentación de 2.2 V a 5.5 V y ofrece una alta ganancia, excelentes especificaciones de CMRR y PSRR, lo que lo convierte en una opción ideal para la amplificación de precisión de señales de bajo nivel en aplicaciones como sensores de posición y presión, galgas extensiométricas, instrumentación médica y más.

El ADA4528 tiene un rango de temperatura nominal de -40°C a +125°C, extendiéndose a los rangos de temperatura industrial. El ADA4528-1 está disponible en paquetes MSOP de 8 pines y LFCSP de 8 pines, mientras que el ADA4528-2 viene en un paquete MSOP de 8 pines.

Con un voltaje de compensación máximo de 2.5 µV y una deriva máxima de voltaje de compensación de 0.015 µV/°C, el ADA4528 es muy adecuado para proporcionar una amplificación de ultra baja deriva de 100 V/V para señales de corriente pequeña. Por lo tanto, puede conectarse directamente a la etapa de amplificación de un ADC de muestreo síncrono de 24 bits como el AD7779, que presenta una deriva de referencia de entrada de 5 nV/°C. Al usar un divisor de potencial resistivo con una relación de 1000:1 conectado directamente a la entrada del ADC AD7779, se pueden medir con precisión altas tensiones de corriente continua.

Conclusión

La medición de energía en corriente continua (DC) ofrece mayor precisión en comparación con la medición de energía en corriente alterna (AC). En mercados de rápido crecimiento como estaciones de carga, microrredes, centros de datos y otras aplicaciones, la medición de energía en DC proporciona una facturación justa y reduce la necesidad de conversiones entre AC y DC, minimizando así las pérdidas de energía. Además, la integración con fuentes de energía renovable es más fácil y eficiente con la medición en DC, convirtiéndose en una tendencia significativa en el desarrollo. ADI es un experto líder en la industria de tecnología de sensores de precisión, ofreciendo cadenas de señal completas para mediciones precisas de corriente y voltaje que cumplen con rigurosos estándares. Los productos mencionados en este artículo representan algunas de las mejores opciones para aplicaciones de medición de energía en DC.

Etiquetas de artículo

Global Global
Carga de vehículos eléctricos
Activo

Contenido Relacionado