您正在体验新版 Arrow.com,您可随时返回 原有网站 。

Arrow Electronics Components Online

基于NXP S32K3的Arrow开发套件SEED-S32K3B_CORE

开发套件18 4月 2024
电子电路板特写
查看所有文章

近年来,汽车电子电气架构的快速演进对MCU提出了新的需求,包括更高的计算能力、增强的功能安全、信息安全、OTA能力、更强的通信能力以及网络带宽。为了应对这些需求,恩智浦(NXP)在S32K1平台的基础上推出了升级版S32K3系列MCU。

S32K3 与 S32K1 的比较

  • 更高的计算能力:核心升级为Arm Cortex-M7,最大频率提升至320MHz。
  • 功能安全: S32K1 可实现高达 Asil B 级别的功能安全,而基于锁步核心产品的 S32K344 可实现高达 Asil D 级别的功能安全。
  • 信息安全: S32K1 的安全核心 CSEc 无法执行非对称加密,而 S32K3 的 HSE-B 引擎能够实现包括非对称加密在内的高级加密,使其成为当前汽车 MCU 中最高级别的安全引擎,优于 HSM 模块。
  • 通讯升级: S32K1最多仅支持3个CAN通道,而S32K3最多支持8个CAN/FD通道;以太网升级至最高1Gbps,支持音视频桥接(AVB)和时间敏感网络(TSN)。
  • 更小封装: MaxQFP是恩智浦(NXP)专利封装技术,与具有相同引脚数量的LQFP相比,封装尺寸减少了一半。

为了使客户能够快速熟悉这款芯片,AiRui Electronics推出了一款高度简化的开发套件——SEED-S32K3B_CORE。借助该开发套件,客户可以轻松评估S32K3,并方便地将开发套件集成到自己的系统中,从而在开发之前实现深入的评估和系统测试。

解决方案介绍

A detailed circuit diagram showcasing the NXP S32K3 microcontroller (FBGA257) with labeled components and connections.

SEED-S32K3B_CORE的示意图。

SEED-S32K3B_CORE 的核心芯片采用 LFBGA257 封装。

Close-up view of the SEED-S32K3B Core v1.0 circuit board featuring NXP microcontroller.

SEED-S32K3B_CORE的原理图。

功能与特性

1. 电源

S32K3芯片需要三个外部电源供应:VDD_HV_A、VDD_HV_B和V15。板子可以通过两种方式供电:一种是使用外部12V电源,通过板上的FS26电源芯片生成所需的5V和3.3V来为板子供电;另一种是直接外部共享5V电源给核心芯片,不使用板上的FS26电源芯片。这后一种方式简化了系统,仅需一个5V电源即可为整个系统供电,无需其他电源芯片。通过跳线,这两种方法可以轻松切换。

电路板上的电源芯片FS26是根据ISO26262标准开发的,提供了增强的安全功能,例如多个故障关断输出,覆盖ASIL B和ASIL D安全完整性等级,以及最新的按需潜在故障监测功能。FS26拥有多个开关稳压器和LDO稳压器,为微控制器、传感器、外部IC和通信接口提供电源。FS26提供高精度参考电压、用于两个独立电压跟踪稳压器的参考电压,以及用于系统控制和诊断的各种功能,例如模拟多路复用器、通用IO,以及从I/O、长时间定时器或SPI通信的可选唤醒事件。

在正常运行时,FS26需要定期供电才能正常工作,这对于初始产品调试来说并不方便。因此,板上的跳线JP6用于选择FS26的工作模式,可以选择Flash模式、Debug模式或正常运行模式。在该系统中,FS26生成三个输出电压:5V、3.3V和1.5V,用户可以通过跳线灵活选择不同的电源模式。如果希望简化系统,可以通过跳线选择不使用FS26,而直接接入5V电源,采用5V供电模式。

总结来说,用户可以通过跳线选择以下供电模式:

  • VDD_HV_A = VREFH = VDD_HV_B = +5.0V(外部),V15 = +1.5V(外部 NPN 晶体管)
  • VDD_HV_A = VREFH = VDD_HV_B = +5.0V (FS26),V15 = +1.5V(外部 NPN 晶体管)
  • VDD_HV_A = VREFH = VDD_HV_B = +3.3V (FS26),V15 = +1.5V(外部 NPN 晶体管)
  • VDD_HV_A = VREFH = VDD_HV_B = +5.0V (FS26),V15 = +1.5V (FS26)
  • VDD_HV_A = VREFH = VDD_HV_B = +3.3V (FS26),V15 = +1.5V (FS26)
  • VDD_HV_A = VREFH = +5.0V (FS26),VDD_HV_B = +3.3V,V15 = +1.5V(外部 NPN 晶体管)
  • VDD_HV_A = VREFH = +5.0V (FS26),VDD_HV_B = +3.3V,V15 = +1.5V (FS26)

由于两种电源输入方式共用一个连接器,因此在实际使用中可能会出现跳线选择5V,而同时连接12V外部电源的情况。在这种情况下,板载具有内置的5V过压保护功能。板子会自动断电并点亮过压保护警示灯,以保护主芯片。

2. CAN(控制器区域网络)

该板卡上扩展了一个CAN接口,该接口通过TJA1044芯片实现。TJA1044是一款属于Mantis系列的高速CAN收发器,提供CAN协议控制器与物理双线CAN总线之间的接口。该收发器特别为汽车行业的高速CAN应用设计,能够为CAN协议控制器(位于微控制器内)提供发送和接收差分信号的功能。TJA1044的各种功能针对12V汽车应用进行了优化,其性能相比NXP的第一代与第二代CAN收发器(如TJA1040)有显著提升,并具备卓越的电磁兼容性(EMC)性能。此外,TJA1044的特性包括:

  • 在断电时,CAN 总线的理想被动性能。
  • 具有总线唤醒功能的极低电流待机模式。
  • 即使在速度高达500 kbit/s的情况下,无需共模扼流圈也能表现出卓越的EMC性能。

这些特性使 TJA1044 成为所有类型 HS-CAN 网络的理想选择,对于需要低功耗模式和通过 CAN 总线唤醒的节点尤为适合。

TJA1044 实现了当前的 ISO11898 标准(ISO11898-2:2003、ISO11898-5:2007,以及即将发布的更新版本 ISO11898-2:2016),该标准定义了 CAN 物理层。TJA1044T 的数据传输速率最高可达 1 Mbit/s。对于 CAN FD 和 SAE-J2284-4/5,额外定义的环回延迟对称性定时参数将在即将发布的 ISO11898-2:2016 版本中针对 TJA1044GT 和 TJA1044GTK 进行规范,使其即便在 CAN FD 快速阶段的数据传输速率高达 5 Mbit/s 的情况下,依然能够实现可靠的通信。

3. 调试接口

此外,开发板还提供以下调试接口,允许用户使用 Multilink 对主芯片进行调试,并根据需要通过串口进行连接。

A detailed circuit schematic featuring a microcontroller and associated components.

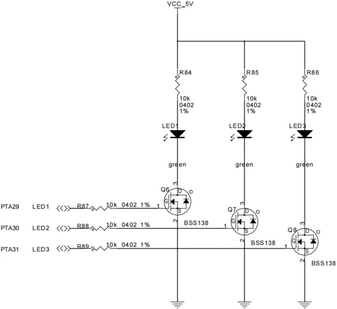
4. 其他

A detailed circuit diagram showcasing three green LEDs connected to BSS138 transistors.

板上有3个LED灯

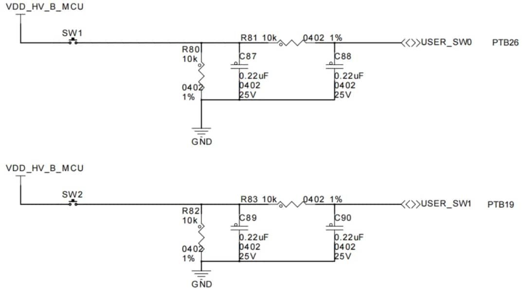
A detailed schematic of an electrical circuit featuring resistors, capacitors, and switches.

两个按钮切换

A detailed schematic diagram of an electronic circuit featuring resistors, capacitors, and connections.

用于功能调试的滑动式电位器,用于电压调整

A detailed schematic diagram showcasing an electronic circuit. The image includes labeled components such as SW3, R71, and C80, with specifications like 1000pF and 50V clearly visible.

一个重置按钮用于重新启动主板

此外,所有 S32K3 引脚都通过 2.54mm 间距的测试孔延伸到电路板两侧,用户可以直接使用杜邦线连接进行测试,或者焊接排针或插座进行测试。

应用领域

与车身相关的应用,包括一些娱乐信息系统、T-Box等。

具有严格功能安全要求的应用,包括电池管理系统 (BMS)、换挡器、先进驾驶辅助系统 (ADAS)、自动泊车系统 (APA)、自动驾驶系统 (APD),以及高功能安全的低成本版本,例如 DCDC、电动助力转向系统 (EPS)、逆变器等。

域控制器、区域控制器,尤其是区域节点,S32K3能够满足超过80%的节点需求。

文章标签

全球
恩智浦半导体
汽车行业
文章