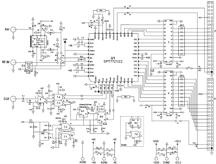
SPT7721/22, 8-bit analog-to-digital converter, with a sample rate of 250 MSPS, is a fast differential analog input device
Diseño de referencia usando la pieza SPT7721 de onsemi
Para productos finales
- Digital Projector
- Instrumentation and Measurement
- Video RGB Line Driver
Descripción
- SPT7721/22, 8-bit analog-to-digital converter, with a sample rate of 250 MSPS, is a fast differential analog input device. It provides outstanding dynamic performance with very low power dissipation and operates with a +5 V supply
Características clave
-
ADC Resolution8 Bit
-
ADC Sampling Rate250M SPS
-
Number of Channels1CH|2CH
Piezas destacadas (10)
| Número de pieza | Fabricante | Tipo | Descripción | |||
|---|---|---|---|---|---|---|
|
|
AD8131ARZ-REEL | Analog Devices | Special Purpose Amplifiers | SP Amp DIFF Line Driver Amp Single ±5.5V/11V 8-Pin SOIC N T/R | AÑADIR AL CARRITO | |
|
|
MC10EL16DG | onsemi | Bus Line Transceivers | Single Receiver 8-Pin SOIC N Tube | AÑADIR AL CARRITO | |
|
|
AD8131ARZ-REEL7 | Analog Devices | Special Purpose Amplifiers | SP Amp DIFF Line Driver Amp Single ±5.5V/11V 8-Pin SOIC N T/R | AÑADIR AL CARRITO | |
|
|
MC10EL16DR2G | onsemi | Bus Line Transceivers | Single Receiver 8-Pin SOIC N T/R | AÑADIR AL CARRITO | |
|
|
AD8131ARMZ-REEL | Analog Devices | Special Purpose Amplifiers | SP Amp DIFF Line Driver Amp Single ±5.5V/11V 8-Pin MSOP T/R | AÑADIR AL CARRITO | |
|
|
AD8131ARMZ-REEL7 | Analog Devices | Special Purpose Amplifiers | SP Amp DIFF Line Driver Amp Single ±5.5V/11V 8-Pin MSOP T/R | AÑADIR AL CARRITO | |
|
|
74LVXC3245MTCX | onsemi | Level Translators | Voltage Level Translator 8-CH Bidirectional 24-Pin TSSOP T/R | AÑADIR AL CARRITO | |
|
|
AD8131ARMZ | Analog Devices | Special Purpose Amplifiers | SP Amp DIFF Line Driver Amp Single ±5.5V/11V 8-Pin MSOP Tube | AÑADIR AL CARRITO | |
|
|
AD8131ARZ | Analog Devices | Special Purpose Amplifiers | SP Amp DIFF Line Driver Amp Single ±5.5V/11V 8-Pin SOIC N Tube | AÑADIR AL CARRITO | |
|
|
ET08SD1CBE | C&K | Switch Toggle | Switch Toggle ON None Mom SPDT Round Lever PC Pins 20VAC 20VDC 0.4VA PC Mount Medical T/R | AÑADIR AL CARRITO | |